4,65 €5,00 €
4,65 €5,00 €Precio base-7% off
Precio

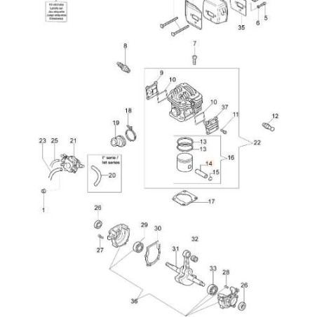
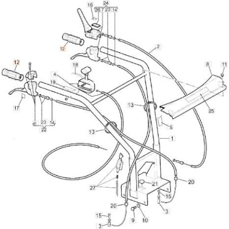
Deflectores para tractores cortacésped y segadoras, ideales para desviar el césped cortado lateral o traseramente. Mejoran la seguridad y distribución. Compatibles con varios modelos y fabricados con materiales resistentes.
42 productos